Descripción
Descripción
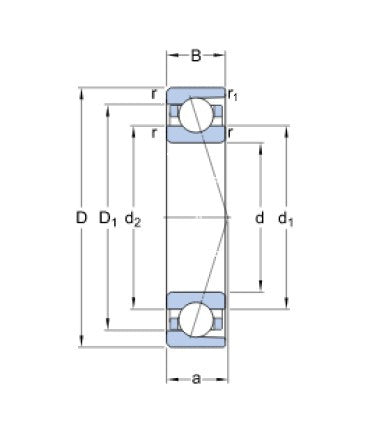
SKF 7216 ACDGA/P4A - rodamiento de una fila de bolas no desmontable de precisión con contacto angular, con un ángulo de contacto de 25°, jaula ligera de resina fenólica reforzada con tejido textil guiada por el anillo exterior, emparejable universalmente con ligera precarga.
El rodamiento solo puede soportar carga axial en una dirección, por lo que generalmente se ajusta contra el segundo rodamiento.
El juego interno de los rodamientos de bolas de una fila con contacto angular se logra solo después de la instalación y depende del ajuste de la posición axial con respecto al segundo rodamiento, que asegura la guía axial en la dirección opuesta.
Los rodamientos para emparejamiento universal se montan en pares y se fabrican para que, al ensamblarse para carga axial en una dirección, es decir, en tándem, o para carga axial en ambas direcciones, es decir, espalda con espalda en O o cara a cara en X, se logre el juego interno o precarga predefinidos o una distribución uniforme de la carga sin el uso de arandelas compensadoras.
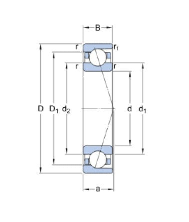
El rodamiento solo puede soportar carga axial en una dirección, por lo que generalmente se ajusta contra el segundo rodamiento.
El juego interno de los rodamientos de bolas de una fila con contacto angular se logra solo después de la instalación y depende del ajuste de la posición axial con respecto al segundo rodamiento, que asegura la guía axial en la dirección opuesta.
Los rodamientos para emparejamiento universal se montan en pares y se fabrican para que, al ensamblarse para carga axial en una dirección, es decir, en tándem, o para carga axial en ambas direcciones, es decir, espalda con espalda en O o cara a cara en X, se logre el juego interno o precarga predefinidos o una distribución uniforme de la carga sin el uso de arandelas compensadoras.
Parametry
Parametry
Diámetro D (mm):
140
Ancho A (mm):
38,8
Ancho B (mm):
26
Ángulo (°):
25°
Marcado:
7216 ACDGA/P4A