Actualmente no ofrecemos entrega a las islas españolas.

SKF  |  SKU: L.7212 CDGA P4 SKF -- 7212 CDGA/P4A

SKF 7212 CDGA/P4A rodamiento


Varianta
€332,70
Impuestos incluidos Envío calculado al finalizar la compra.

Descripción

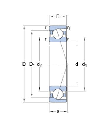
7212 CDGA/P4A SKF Rodamiento de bolas con contacto angular

Parametry

Diámetro D (mm):

60

Diámetro D (mm):

110

Ancho A (mm):

22,5

Ancho B (mm):

22

Temperatura máxima °C:

+100

Tipo:

rodamiento de husillo

Ángulo (°):

15°

Marcado:

7212 CDGA/P4A

DOTAZ PRODEJCI

SKF

SKF 7212 CDGA/P4A rodamiento

€332,70

Varianta

  • Výchozí varianta
Ver producto