Actualmente no ofrecemos entrega a las islas españolas.

SKF  |  SKU: L.7210 CDGA/P4A SKF -- 7210 CDGA/P4A

SKF 7210 CDGA/P4A rodamiento


Varianta
€256,90
Impuestos incluidos Envío calculado al finalizar la compra.

Descripción

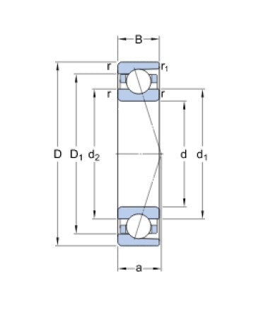
7210 CDGA/P4A SKF Rodamiento de bolas con contacto angular

Parametry

Diámetro D (mm):

50

Diámetro D (mm):

90

Ancho A (mm):

19,4

Ancho B (mm):

20

Temperatura máxima °C:

+100

Tipo:

rodamiento de husillo

Ángulo (°):

15°

Marcado:

7210 CDGA/P4A

DOTAZ PRODEJCI

SKF

SKF 7210 CDGA/P4A rodamiento

€256,90

Varianta

  • Výchozí varianta
Ver producto