Actualmente no ofrecemos entrega a las islas españolas.

SKF  |  SKU: L.71818 CDGA/P4 SKF -- 71818 CDGA/P4

SKF 71818 CDGA/P4 rodamiento


Varianta
€627,68
Impuestos incluidos Envío calculado al finalizar la compra.

Descripción

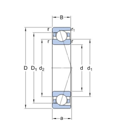
71818 CDGA/P4 SKF Rodamiento de bolas con contacto angular

Parametry

Diámetro D (mm):

90

Diámetro D (mm):

115

Ancho A (mm):

20,3

Ancho B (mm):

13

Tipo:

rodamiento de bolas de contacto angular

Ángulo (°):

15°

Marcado:

71818 CDGA/P4

DOTAZ PRODEJCI

SKF

SKF 71818 CDGA/P4 rodamiento

€627,68

Varianta

  • Výchozí varianta
Ver producto