Actualmente no ofrecemos entrega a las islas españolas.

SKF  |  SKU: L.71814 CDGA/P4 SKF -- 71814 CDGA/P4

SKF 71814 CDGA/P4 rodamiento


Varianta
€404,35
Impuestos incluidos Envío calculado al finalizar la compra.

Descripción

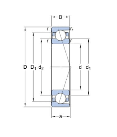
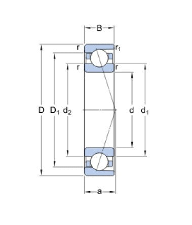
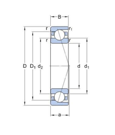
71814 CDGA/P4 SKF Rodamiento de bolas con contacto angular

Parametry

Diámetro D (mm):

70

Diámetro D (mm):

90

Ancho A (mm):

15,7

Ancho B (mm):

10

Tipo:

rodamiento de bolas de contacto angular

Ángulo (°):

15°

Marcado:

71814 CDGA/P4

DOTAZ PRODEJCI

SKF

SKF 71814 CDGA/P4 rodamiento

€404,35

Varianta

  • Výchozí varianta
Ver producto