Actualmente no ofrecemos entrega a las islas españolas.

SKF  |  SKU: L.71810 CDGA/P4 SKF -- 71810 CDGA/P4

SKF 71810 CDGA/P4 rodamiento


Varianta
€280,35
Impuestos incluidos Envío calculado al finalizar la compra.

Descripción

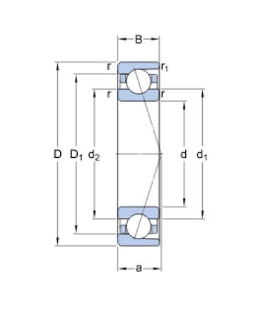
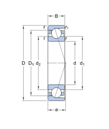
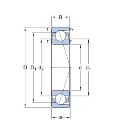
71810 CDGA/P4 SKF Rodamiento de bolas con contacto angular

Parametry

Diámetro D (mm):

50

Diámetro D (mm):

65

Ancho A (mm):

11,2

Ancho B (mm):

7

Temperatura máxima °C:

+100

Tipo:

rodamiento de husillo

Ángulo (°):

15°

Marcado:

71810 CDGA/P4

DOTAZ PRODEJCI

SKF

SKF 71810 CDGA/P4 rodamiento

€280,35

Varianta

  • Výchozí varianta
Ver producto