Actualmente no ofrecemos entrega a las islas españolas.

SKF  |  SKU: L.71801 CDGA/P4 SKF -- 71801 CDGA/P4

SKF 71801 CDGA/P4 rodamiento


Varianta
€259,12
Impuestos incluidos Envío calculado al finalizar la compra.

Descripción

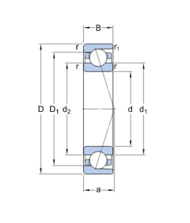
71801 CDGA/P4 SKF Rodamiento de bolas con contacto angular

Parametry

Diámetro D (mm):

12

Diámetro D (mm):

21

Ancho A (mm):

4,7

Ancho B (mm):

5

Tipo:

rodamiento de bolas de contacto angular

Ángulo (°):

15°

Marcado:

71801 CDGA/P4

DOTAZ PRODEJCI

SKF

SKF 71801 CDGA/P4 rodamiento

€259,12

Varianta

  • Výchozí varianta
Ver producto