Actualmente no ofrecemos entrega a las islas españolas.

SKF  |  SKU: L.7017 ACDGA P4 SKF -- 7017 ACDGA/P4A

SKF 7017 ACDGA/P4A rodamiento de husillo


Varianta
€396,29
Impuestos incluidos Envío calculado al finalizar la compra.

Descripción

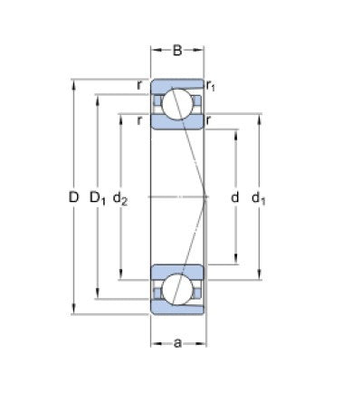
7017 ACDGA/P4A SKF Rodamiento de bolas con contacto angular

Parametry

Precisión:

P4

Diámetro D (mm):

85

Diámetro D (mm):

130

Ancho A (mm):

36,2

Ancho B (mm):

22

Tipo:

rodamiento de husillo

Ángulo (°):

25°

Marcado:

7017 ACDGA/P4A

DOTAZ PRODEJCI

SKF

SKF 7017 ACDGA/P4A rodamiento de husillo

€396,29

Varianta

  • Výchozí varianta
Ver producto