Actualmente no ofrecemos entrega a las islas españolas.

SKF  |  SKU: L.7009 CDGA P4 SKF -- 7009 CDGA/P4A

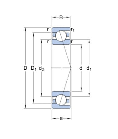
SKF 7009 CDGA/P4A rodamiento de husillo


Varianta
€183,91
Impuestos incluidos Envío calculado al finalizar la compra.

Descripción

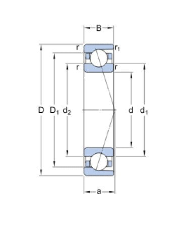
7009 CDGA/P4A SKF Rodamiento de bolas con contacto angular

Parametry

Diámetro D (mm):

45

Diámetro D (mm):

75

Ancho A (mm):

16,1

Ancho B (mm):

16

Temperatura máxima °C:

+100

Tipo:

rodamiento de husillo

Ángulo (°):

15°

Marcado:

7009 CDGA/P4A

DOTAZ PRODEJCI

SKF

SKF 7009 CDGA/P4A rodamiento de husillo

€183,91

Varianta

  • Výchozí varianta
Ver producto