Descripción
Descripción
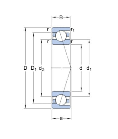
SKF 7005 CDGA/P4A - rodamiento de bolas de una fila, de precisión, no desmontable, con contacto angular, con un ángulo de contacto de 15°, jaula ligera de resina fenólica reforzada con tejido textil guiada por el anillo exterior, universalmente acoplable con ligera precarga.
El rodamiento puede soportar carga axial solo en una dirección, por lo que generalmente se ajusta contra el segundo rodamiento.
La holgura interna de los rodamientos de bolas de una fila con contacto angular se logra solo después de la instalación y depende del ajuste de la posición axial respecto al segundo rodamiento, que asegura la guía axial en la dirección opuesta.
Los rodamientos para acoplamiento universal se montan en pares y se fabrican para que al ensamblarse para carga axial en una dirección, es decir, en tándem, o para carga axial en ambas direcciones, es decir, espalda con espalda en "O" o cara a cara en "X", se logre la holgura o precarga interna predeterminada o una distribución uniforme de la carga sin el uso de arandelas de compensación.
El rodamiento puede soportar carga axial solo en una dirección, por lo que generalmente se ajusta contra el segundo rodamiento.
La holgura interna de los rodamientos de bolas de una fila con contacto angular se logra solo después de la instalación y depende del ajuste de la posición axial respecto al segundo rodamiento, que asegura la guía axial en la dirección opuesta.
Los rodamientos para acoplamiento universal se montan en pares y se fabrican para que al ensamblarse para carga axial en una dirección, es decir, en tándem, o para carga axial en ambas direcciones, es decir, espalda con espalda en "O" o cara a cara en "X", se logre la holgura o precarga interna predeterminada o una distribución uniforme de la carga sin el uso de arandelas de compensación.
Parametry
Parametry
Diámetro D (mm):
47
Ancho A (mm):
10,9
Ancho B (mm):
12
Temperatura máxima °C:
+100
Tipo:
rodamiento de husillo
Ángulo (°):
15°
Marcado:
7005 CDGA/P4A